• 专利申请
    2022-08-09
  • 公布公告
    2024-07-26
  • 授权日期
    2024-07-26
  • 终止
    2034-07-24
一种基于视觉的自动化中药抓取装置
一种基于视觉的自动化中药抓取装置
* 专利信息仅供参考,不具有法律效力。 有效专利
CN202210949208.2 2022-08-09 B25J9/00 {{ classMap["B25J9/00"] }}
西安建筑科技大学 查看申请人名下所有专利
陕西省西安市雁塔路13号
专利分类项目
专利注册信息
初审公告期号 2022-08-09 初审公告日期 2024-07-26
注册公告期号 2024-07-26 注册公告日期 2024-07-26
专用权期限 2024-07-26 - 2034-07-24 专利类型 发明授权
代理组织机构 西安恒泰知识产权代理事务所 查看该机构代理的所有专利
专利介绍
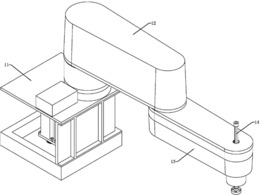
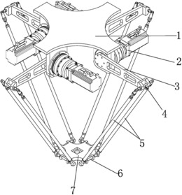
本发明公开了一种基于视觉的自动化中药抓取装置,包括框架,在框架内部设置有高压清洗装置、中药抓取机构、电气箱、中药材智能存取柜、机械式中药输送带和控制系统,采用高压气流清洗的模式避免了上次任务的中药残渣混入下次抓取任务的药材中,采用了基于视觉进行路径规划从而引导抓取机械手对中药进行“识别‑抓取‑称量‑传递‑释放”等工作。可批量放置于药房中,工作人员仅需定期补药、维护即可,同时为了保障抓药效率,该装置还可以进行扩展及多机联用,以解决多味大量药方的中药材抓取工作。具有操作简单、使用方便等优点。
法律进度
  • 2024-09-27 专利权的转移 登记生效日: 2024.09.12 专利权人由西安建筑科技大学变更为合肥智慧龙机械设计有限公司 国家或地区由中 ...

  • 2024-07-26 授权 ...

  • 2022-12-09 实质审查的生效 IPC(主分类): B25J 9/00 专利申请号: 202210949208.2 申请日: 2022.08. ...

  • 2022-11-22 公开 ...

同类专利

咨询该专利

您还可以
推荐专利
{{ v.name }}
取 消 确 定