• 专利申请
    2020-11-10
  • 公布公告
    2024-07-26
  • 授权日期
    2024-07-26
  • 终止
    2034-07-24
一种废旧手机元器件的智能分选装置和方法
一种废旧手机元器件的智能分选装置和方法
* 专利信息仅供参考,不具有法律效力。 有效专利
CN202011245322.4 2020-11-10 B07C5/34 {{ classMap["B07C5/34"] }}
上海第二工业大学 查看申请人名下所有专利
上海市浦东新区金海路2360号
专利分类项目
专利注册信息
初审公告期号 2020-11-10 初审公告日期 2024-07-26
注册公告期号 2024-07-26 注册公告日期 2024-07-26
专用权期限 2024-07-26 - 2034-07-24 专利类型 发明授权
代理组织机构 上海正旦专利代理有限公司 查看该机构代理的所有专利
专利介绍
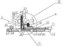
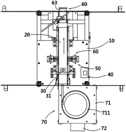
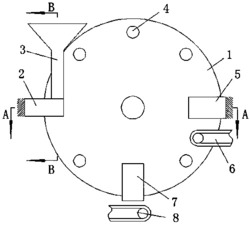
本发明公开了一种废旧手机元器件的智能分选装置和方法。该装置包括进料系统、抓取系统、识别系统、收集装置和控制系统。其中,进料系统位于前端对元器件进行整列;识别系统搭载于抓取系统之上对元器件进行字符和尺寸的识别;抓取系统位于进料系统正上方对元器件进行抓取;收集装置对分选好的元器件进行收集;控制系统将采集到的信号进行转换发送指令给各个运动机构。本发明运用视觉识别、三维运动控制、机器学习和自动化技术,能将废旧手机元器件整齐排列、精准识别、快速抓取、精细分类,可实现废旧手机各类元器件的快速识别和分类回收,装置结构简单、生产效率较高。
法律进度
  • 2024-07-26 授权 ...

  • 2021-02-23 实质审查的生效 IPC(主分类): B07C 5/34 专利申请号: 202011245322.4 申请日: 2020.11. ...

  • 2021-02-02 公开 ...

同类专利

咨询该专利

您还可以
推荐专利
{{ v.name }}
取 消 确 定