• 专利申请
    2020-08-28
  • 公布公告
    2021-06-22
  • 授权日期
    2021-06-22
  • 终止
    2031-06-20
一种包装纸用印花装置及其使用方法
一种包装纸用印花装置及其使用方法
* 专利信息仅供参考,不具有法律效力。 有效专利
CN202010886598.4 2020-08-28 B41J3/407 {{ classMap["B41J3/407"] }}
界首市鑫华装璜彩印有限公司 查看申请人名下所有专利
安徽省阜阳市界首市中原路西段
专利分类项目
专利注册信息
初审公告期号 2020-08-28 初审公告日期 2021-06-22
注册公告期号 2021-06-22 注册公告日期 2021-06-22
专用权期限 2021-06-22 - 2031-06-20 专利类型 发明授权
代理组织机构 合肥正则元起专利代理事务所 查看该机构代理的所有专利
专利介绍
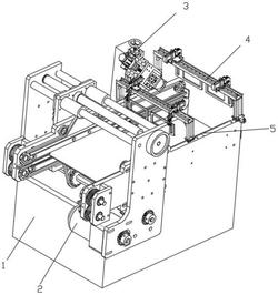
本发明公开了一种包装纸用印花装置及其使用方法,包括底座、输送机构、印花机构、固定机构、滑轨一,所述底座的顶部对称安装有两条滑轨一,两条所述滑轨一之间固定安装有输送机构,两条所述滑轨一上滑动连接有两个对称设置的固定机构,两个固定机构之间设置有印花机构,所述印花机构与底座水平滑动连接;本发明整个设备自动化程度高,方便调节使用,适用不同类型的印花,对于印花更加便捷。
法律进度
  • 2021-06-22 授权 ...

  • 2020-12-08 实质审查的生效 IPC(主分类): B41J 3/407 专利申请号: 202010886598.4 申请日: 2020.08 ...

  • 2020-11-20 公开 ...

同类专利

咨询该专利

您还可以
推荐专利
{{ v.name }}
取 消 确 定