• 专利申请
    2017-11-15
  • 公布公告
    2018-05-01
  • 授权日期
    2019-06-28
  • 终止
    2028-04-28
一种新型的用于信箱的生产设备
一种新型的用于信箱的生产设备
* 专利信息仅供参考,不具有法律效力。 有效专利
CN201711128699.X 2017-11-15 B41J3/407 {{ classMap["B41J3/407"] }}
张晓彬 查看申请人名下所有专利
湖北省荆州市沙市区江津西路1099号
专利分类项目
专利注册信息
初审公告期号 2017-11-15 初审公告日期 2018-05-01
注册公告期号 2019-06-28 注册公告日期 2019-06-28
专用权期限 2018-05-01 - 2028-04-28 专利类型 发明公开
代理组织机构 --
专利介绍
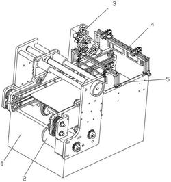
本发明公开了一种新型的用于信箱的生产设备,包括吊座以及安装在所述吊座下侧的生产架,所述吊座顶部正上方位置安装有吊臂,所述吊座中设置有腔口朝下的偏位腔,所述偏位腔中平移配合安装有向下拓展设置的衔接柱,所述衔接柱中螺丝配合有左右拓展设置的螺丝轴,所述螺丝轴右部尾稍与所述偏位腔右端壁转动配合连接,所述螺丝轴左部尾稍与主电动机配合安装,所述主电动机外表面安装于所述偏位腔左端壁内且固定配合连接,所述衔接柱底部端面与所述生产架正上方位置固定安装;本发明结构简单,操作方便,能实现滑挪架的自动收放功能,方便移动和搬运,提高工作效率以及安全性。
法律进度
  • 2021-02-02 专利权的转移 登记生效日: 2021.01.21 专利权人由五河县智凯环保科技有限公司变更为孟永江 地址由233399 安徽 ...

  • 2021-01-05 专利权的转移 登记生效日: 2020.12.24 专利权人由陈斌变更为五河县智凯环保科技有限公司 地址由311800 浙江省 ...

  • 2019-06-28 授权 ...

  • 2019-06-25 专利申请权的转移 登记生效日: 2019.06.05 申请人由张晓彬变更为陈斌 地址由434000 湖北省荆州市沙市区江津西路1 ...

  • 2018-05-25 实质审查的生效 IPC(主分类): B41J 3/407 专利申请号: 201711128699.X 申请日: 2017. ...

  • 2018-05-01 公开 ...

同类专利

咨询该专利

您还可以
推荐专利
{{ v.name }}
取 消 确 定