• 专利申请
    2018-07-17
  • 公布公告
    2021-02-09
  • 授权日期
    2021-02-09
  • 终止
    2031-02-07
一种用于级联型两级式逆变器的均压控制方法
一种用于级联型两级式逆变器的均压控制方法
* 专利信息仅供参考,不具有法律效力。 有效专利
CN201810785709.5 2018-07-17 H02M7/48 {{ classMap["H02M7/48"] }}
湖南工业大学 查看申请人名下所有专利
湖南省株洲市泰山西路88号
专利分类项目
专利注册信息
初审公告期号 2018-07-17 初审公告日期 2021-02-09
注册公告期号 2021-02-09 注册公告日期 2021-02-09
专用权期限 2021-02-09 - 2031-02-07 专利类型 发明授权
代理组织机构 北京慕达星云知识产权代理事务所 查看该机构代理的所有专利
专利介绍
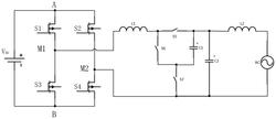
本发明公开了一种级联型两级式逆变器均压控制方法,基于级联型两级式逆变器模型,针对光照不均匀造成的直流母线电压漂移问题,并通过误差标幺化修正来微调占空比进行稳压控制。将各模块误差电压标幺化后经PI调节器等系列调节得到占空比微调量,通过调节各模块占空比,以达到直流母线的均压控制,给出了载波移相调制微调占空比修正的具体实现方式,并在MATLAB/Simulink软件中搭建3单元级联型两级式逆变器模型,仿真结果表明本发明所提出的控制策略可实现光照不均匀条件下的稳定跟踪,抑制母线电压漂移。
法律进度
  • 2021-02-09 授权 ...

  • 2019-01-25 实质审查的生效 IPC(主分类): H02M 7/48 专利申请号: 201810785709.5 申请日: 2018.0 ...

  • 2019-01-01 公开 ...

同类专利

咨询该专利

您还可以
推荐专利
{{ v.name }}
取 消 确 定