• 专利申请
    2017-08-01
  • 公布公告
    2024-01-30
  • 授权日期
    2024-01-30
  • 终止
    2034-01-27
一种四开关交流侧功率解耦电路及解耦控制方法
一种四开关交流侧功率解耦电路及解耦控制方法
* 专利信息仅供参考,不具有法律效力。 有效专利
CN201710644929.1 2017-08-01 H02M7/48 {{ classMap["H02M7/48"] }}
华东交通大学 查看申请人名下所有专利
江西省南昌市昌北经济开发区双港东路808号
专利分类项目
专利注册信息
初审公告期号 2017-08-01 初审公告日期 2024-01-30
注册公告期号 2024-01-30 注册公告日期 2024-01-30
专用权期限 2024-01-30 - 2034-01-27 专利类型 发明授权
代理组织机构 西安铭泽知识产权代理事务所 查看该机构代理的所有专利
专利介绍
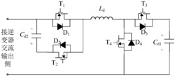
本发明公开了一种四开关交流侧功率解耦电路、解耦控制方法,涉及电工技术领域,使用具有对称结构的四开关功率解耦电路连接在逆变器的交流输出侧,减小光伏侧输出电流纹波,降低了并网电流THD;同时逆变单元与解耦单元总共仅需8个开关管,降低了成本。
法律进度
  • 2024-01-30 授权 ...

  • 2018-01-19 实质审查的生效 IPC(主分类): H02M 7/48 专利申请号: 201710644929.1 申请日: 2017.0 ...

  • 2017-12-22 公开 ...

同类专利

咨询该专利

您还可以
推荐专利
{{ v.name }}
取 消 确 定