• 专利申请
    2017-04-07
  • 公布公告
    2018-06-29
  • 授权日期
    2018-06-29
  • 终止
    2028-06-26
一种钵苗脱盘装置
一种钵苗脱盘装置
* 专利信息仅供参考,不具有法律效力。 有效专利
CN201710225658.6 2017-04-07 A01C11/02 {{ classMap["A01C11/02"] }}
湖南农业大学 查看申请人名下所有专利
湖南省长沙市芙蓉区农大路1号
专利分类项目
专利注册信息
初审公告期号 2017-04-07 初审公告日期 2018-06-29
注册公告期号 2018-06-29 注册公告日期 2018-06-29
专用权期限 2018-06-29 - 2028-06-26 专利类型 发明授权
代理组织机构 长沙朕扬知识产权代理事务所 查看该机构代理的所有专利
专利介绍
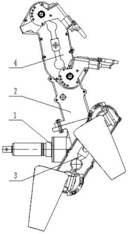
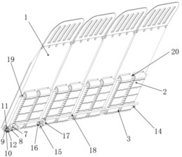
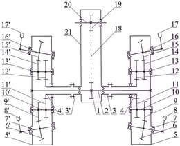
本发明公开了一种钵苗脱盘装置,包括机架和具有若干通孔式钵穴的苗盘,机架上安装有用于输送苗盘的苗盘输入机构,苗盘输入机构的下方设有用于将钵苗顶出钵穴的顶苗机构,顶苗机构包括与苗盘的钵穴数量一致且一一对应的顶杆以及安装在机架上用于驱动所有顶杆同步升降运动的第一升降驱动件。该钵苗脱盘装置能够实现钵苗自动脱盘,其具有结构简单紧凑、工作稳定可靠、易于操控、方便装配和维护等优点。
法律进度
  • 2018-06-29 授权 ...

  • 2017-07-14 实质审查的生效 IPC(主分类): A01C 11/02 专利申请号: 201710225658.6 申请日: 2017. ...

  • 2017-06-20 公开 ...

同类专利

咨询该专利

您还可以
推荐专利
{{ v.name }}
取 消 确 定