• 专利申请
    2023-04-03
  • 公布公告
    2023-07-07
  • 授权日期
    2023-07-07
  • 终止
    2033-07-04
一种陶瓷加工用研磨设备
一种陶瓷加工用研磨设备
* 专利信息仅供参考,不具有法律效力。 有效专利
CN202320697801.2 2023-04-03 B24B19/22 {{ classMap["B24B19/22"] }}
湖南工业大学 查看申请人名下所有专利
湖南省株洲市泰山西路88号
专利分类项目
专利注册信息
初审公告期号 2023-04-03 初审公告日期 2023-07-07
注册公告期号 2023-07-07 注册公告日期 2023-07-07
专用权期限 2023-07-07 - 2033-07-04 专利类型 实用新型
代理组织机构 北京汇捷知识产权代理事务所 查看该机构代理的所有专利
专利介绍
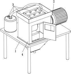
本实用新型属于研磨技术领域,尤其是涉及一种陶瓷加工用研磨设备。技术包括槽体,所述槽体内水平设置有两块呈左右夹持配合的夹持块,槽体上设置有使两块夹持块呈夹持状态的调节机构,夹持块下方的槽体内水平设置有第一磨片,槽体内设置有使第一磨片转动的第一转动组件,夹持块的上方水平设置有第二磨片,第二磨片的上方设置有箱体,箱体内设置有使第二磨片转动的第二转动组件,箱体的上方水平设置有顶板,顶板与箱体之间设置有用于调节箱体高度的升降机构,顶板上设置有对其进行支撑的支架。本设计通过夹持块对陶瓷产品进行夹持固定,减少陶瓷产品进行研磨时发生移动,通过第一磨片和第二磨片的转动可以完成对陶瓷产品的单面或双面研磨。
法律进度
  • 2023-07-07 授权 ...

同类专利

咨询该专利

您还可以
推荐专利
{{ v.name }}
取 消 确 定