• 专利申请
    2023-10-25
  • 公布公告
    2023-11-24
  • 授权日期
    2024-04-19
  • 终止
    2033-11-21
一种变压器生产用刨铣机
一种变压器生产用刨铣机
* 专利信息仅供参考,不具有法律效力。 有效专利
CN202311387306.2 2023-10-25 B23P23/02 {{ classMap["B23P23/02"] }}
福州合瑞利电子科技有限公司 查看申请人名下所有专利
福建省福州市仓山区金山街道金康路150号金山碧水二期麒麟苑9号楼02店面
专利分类项目
专利注册信息
初审公告期号 2023-10-25 初审公告日期 2023-11-24
注册公告期号 2024-04-19 注册公告日期 2024-04-19
专用权期限 2023-11-24 - 2033-11-21 专利类型 发明公开
代理组织机构 长沙准星专利代理事务所 查看该机构代理的所有专利
专利介绍
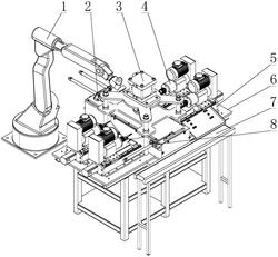
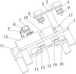
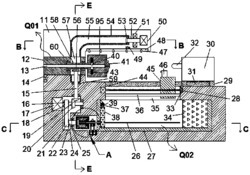
本发明公开了一种变压器生产用刨铣机,包括设备台、变压器壳体、龙门架,以及刨铣机构,送料构件:所述设备台上滑动设置有滑座,两个所述支架之间转动连接有两个旋台;夹定构件:所述旋台上可调节设置有第一夹板,所述滑台上可调节设置有第二夹板;翻转构件:所述滑座中滑动连接有滑板,所述滑座的侧部设置有连动件。本发明中,首先,当变压器壳体在完成刨铣加工后,随着滑座的滑动复位,旋台将翻转一百八十度,实现对变压器壳体内部所积留废料的自动清理,达到便于工作人员使用的目的,其次,通过在滑座滑动过程中,对第一夹板和第二夹板间距的自动调整,有利于工作人员对变压器壳体的快速切换,达到提高加工效率的目的。
法律进度
  • 2024-04-19 授权 ...

  • 2023-12-12 实质审查的生效 IPC(主分类): B23P 23/02 专利申请号: 202311387306.2 申请日: 2023.10 ...

同类专利

咨询该专利

您还可以
推荐专利
{{ v.name }}
取 消 确 定