• 专利申请
    2023-06-07
  • 公布公告
    2023-12-01
  • 授权日期
    2023-12-01
  • 终止
    2033-11-28
一种基于总量一致的动力电池组协同控制方法及系统
一种基于总量一致的动力电池组协同控制方法及系统
* 专利信息仅供参考,不具有法律效力。 有效专利
CN202310673963.7 2023-06-07 B60L58/10 {{ classMap["B60L58/10"] }}
湖南文理学院 查看申请人名下所有专利
湖南省常德市洞庭大道3150号
专利分类项目
专利注册信息
初审公告期号 2023-06-07 初审公告日期 2023-12-01
注册公告期号 2023-12-01 注册公告日期 2023-12-01
专用权期限 2023-12-01 - 2033-11-28 专利类型 发明授权
代理组织机构 广东广盈专利商标事务所 查看该机构代理的所有专利
专利介绍
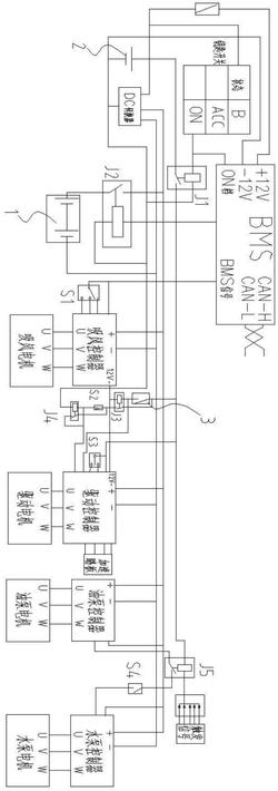
本发明公开了一种基于总量一致的动力电池组协同控制方法及系统,其中,所述方法包括:根据所述直流母线电压控制进行混合动力的若干组动力电池及DC/DC数学模型处理,获得若干组动力电池及DC/DC数学模型;基于总量一致的若干组动力电池控制策略对所述若干组动力电池及DC/DC数学模型进行发电机及若干组动力电池协同控制处理。在本发明实施例中,利用若干组动力电池的快速响应特性,采用总量一致控制方式,使得各动力源总的能量输出快速跟踪上给定值,保障混合动力系统优质可靠的供电。
法律进度
  • 2024-01-12 专利实施许可合同备案的生效 IPC(主分类): B60L 58/10 合同备案号: X2023980053718 专利申请号: 20231 ...

  • 2023-12-01 授权 ...

  • 2023-09-19 实质审查的生效 IPC(主分类): B60L 58/10 专利申请号: 202310673963.7 申请日: 2023.06 ...

  • 2023-09-01 公开 ...

同类专利

咨询该专利

您还可以
推荐专利
{{ v.name }}
取 消 确 定