• 专利申请
    2022-04-21
  • 公布公告
    2023-01-20
  • 授权日期
    2023-01-20
  • 终止
    2033-01-17
一种用于建筑小区中水处理的复合一体化生物反应器
一种用于建筑小区中水处理的复合一体化生物反应器
* 专利信息仅供参考,不具有法律效力。 有效专利
CN202220933992.3 2022-04-21 C02F3/32 {{ classMap["C02F3/32"] }}
湖南工业大学 查看申请人名下所有专利
湖南省株洲市泰山西路88号
专利分类项目
专利注册信息
初审公告期号 2022-04-21 初审公告日期 2023-01-20
注册公告期号 2023-01-20 注册公告日期 2023-01-20
专用权期限 2023-01-20 - 2033-01-17 专利类型 实用新型
代理组织机构 湖南正则奇美专利代理事务所 查看该机构代理的所有专利
专利介绍
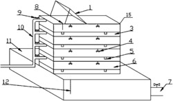
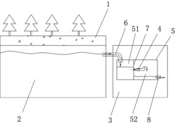
本实用新型公开了一种用于建筑小区中水处理的复合一体化生物反应器,属于污水处理技术领域,包括自上而下依次设置的种植土壤层、复合填料层和折流层;以及序批式反应池;序批式反应池与折流层通过排出管连通;所述序批式反应池内添加聚氨酯泡沫;复合填料层内填充生态填料。“灰水”流通过重力作用从上而下依次经过种植土壤层、复合填料层、折流层,最后从折流层排出。填料层和折流层是生物滞留系统的核心区域,对水质净化和水体滞留起到关键性作用。填料层和折流层均填有自主研发的生态填料,对氮和磷的去除效果好,同时也能有效去除中水中含有的重金属。
法律进度
  • 2023-01-20 授权 ...

同类专利
  • 一种轻质植生混凝土浮床的制备方法

  • 一种中央景观公园水质处理方法及装置

  • 一种应用于湖泊的太阳能水体净化装置及其方法

  • 富营养化湖泊水体的立体净化方法

  • 组合式浮岛湖泊水体净化系统及其安装方法

  • 一种用于调蓄湿地的一体式污水处理系统及方法

  • 一种用密齿苦草演替穗花狐尾藻的植物种植配置方法

  • 一种具有增氧功能的河流污水治理装置

  • 一种适用于消落带的人工浮床系统

  • 一种用于治理富营养水体的生态塔及应用

  • 一种农村生活污水处理站点流量计安装装置

  • 一种用于治理富营养水体的生态柜

咨询该专利

您还可以
推荐专利
{{ v.name }}
取 消 确 定