• 专利申请
    2022-04-07
  • 公布公告
    2022-07-12
  • 授权日期
    2022-07-12
  • 终止
    2032-07-09
一种创口贴自动成品切断计数装置
一种创口贴自动成品切断计数装置
* 专利信息仅供参考,不具有法律效力。 有效专利
CN202220787733.4 2022-04-07 B65H35/06 {{ classMap["B65H35/06"] }}
湖北木子生物科技有限公司 查看申请人名下所有专利
湖北省黄石市大冶市开元大道3号
专利分类项目
专利注册信息
初审公告期号 2022-04-07 初审公告日期 2022-07-12
注册公告期号 2022-07-12 注册公告日期 2022-07-12
专用权期限 2022-07-12 - 2032-07-09 专利类型 实用新型
代理组织机构 黄石市三益专利商标事务所 查看该机构代理的所有专利
专利介绍
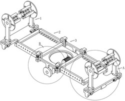
本实用新型是一种创口贴自动成品切断计数装置,包括固定支架,固定支架两侧对称设有四根竖直的立柱,每一侧的两根立柱之间设有竖直布置的滑槽,两条滑槽的底部各装有一个固定轴承座,两个固定轴承座之间装有一根光辊,光辊一端装有驱动电机,另一端装有驱动齿轮;两条滑槽的上端各装有一个滑动轴承座,两滑动轴承座之间装有一根刀辊,刀辊一端设有从动齿轮,从动齿轮与驱动齿轮啮合,所述固定支架顶部对应于刀辊两端各装有一个调节螺杆;所述从动齿轮外侧装有一个圆盘,圆盘面上均布有若干个定位凸点,每一个定位凸点对应于一个切口,固定支架外侧设有一根支撑杆,支撑杆顶端装有计数传感器;本实用新型提高了生产效率,减轻了劳动强度。
法律进度
  • 2022-07-12 授权 ...

同类专利

咨询该专利

您还可以
推荐专利
{{ v.name }}
取 消 确 定