• 专利申请
    2021-11-23
  • 公布公告
    2021-12-24
  • 授权日期
    2021-12-24
  • 终止
    2031-12-22
一种防滑动冷弯成型工件加工专用固定夹座
一种防滑动冷弯成型工件加工专用固定夹座
* 专利信息仅供参考,不具有法律效力。 有效专利
CN202122874345.8 2021-11-23 B21D5/08 {{ classMap["B21D5/08"] }}
河南英邦冷弯科技有限公司 查看申请人名下所有专利
河南省新乡市新乡经济技术开发区经九路与纬六路交叉口
专利分类项目
专利注册信息
初审公告期号 2021-11-23 初审公告日期 2021-12-24
注册公告期号 2021-12-24 注册公告日期 2021-12-24
专用权期限 2021-12-24 - 2031-12-22 专利类型 实用新型
代理组织机构 新乡市平原智汇知识产权代理事务所 查看该机构代理的所有专利
专利介绍
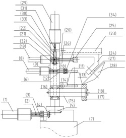
本实用新型公开了一种防滑动冷弯成型工件加工专用固定夹座,包括固定座,固定座的内部通过螺栓安装有正反转电机,正反转电机的输出端连接有转动盘,转动盘的顶部设置有调节机构,调节机构包括有电动伸缩杆,调节机构的顶部设置有夹具,夹具包括有固定管,固定管的底部焊接有支撑座,固定管的内部固定有内管,内管的外壁通过螺栓安装有气动缸,气动缸的输出端连接有夹持架,夹持架的一侧设置有防滑垫。本实用新型能使专用固定夹座具有防滑功能,提高冷弯成型工件加工时发生偏移现象,便于调节夹持工件的角度,满足不同工件加工的需求,便于工作人员调节夹持工件的方向,提高使用专用固定夹座的灵活性。
法律进度
  • 2021-12-24 授权 ...

同类专利
  • 轧辊角度可调式多辊柔性辊弯成形校准装置

  • 旋转电磁冲压装置及其加工方法

  • 一种定模动辊变截面辊弯成形机

  • 基于定模动辊变截面辊弯成形设备的成形方法

  • 凸轮变截面辊弯成形机及成形方法

  • 辊弯成形角度可大范围调节的辅助辊结构以及调节方法

  • 一种多规格异形槽钢自适应3D冷弯成形装置

  • 一种冷弯成型机可调节旋转辅辊装置

咨询该专利

您还可以
推荐专利
{{ v.name }}
取 消 确 定