• 专利申请
    2020-10-27
  • 公布公告
    2021-07-27
  • 授权日期
    2021-07-27
  • 终止
    2031-07-25
一种宠物尿垫包装模块
一种宠物尿垫包装模块
* 专利信息仅供参考,不具有法律效力。 有效专利
CN202022409618.7 2020-10-27 B65B35/44 {{ classMap["B65B35/44"] }}
东台远东纸业有限公司 查看申请人名下所有专利
江苏省盐城市东台市经济开发区纬二路12号
专利分类项目
专利注册信息
初审公告期号 2020-10-27 初审公告日期 2021-07-27
注册公告期号 2021-07-27 注册公告日期 2021-07-27
专用权期限 2021-07-27 - 2031-07-25 专利类型 实用新型
代理组织机构 苏州创策知识产权代理有限公司 查看该机构代理的所有专利
专利介绍
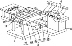
本实用新型公开了一种宠物尿垫包装模块,属于宠物尿垫包装技术领域,包括运输机架,所述运输机架一侧下端焊接有支撑架,且支撑架顶部安装有转输板,所述转输板顶面两侧固定有侧板,所述运输机架顶面安装有运输带,且运输带一端两侧固定有限位板,所述运输机架一侧一端安装有驱动电机,且驱动电机一端安装有连接块。本实用新型中,通过设定位于运输带一侧上方的斜状转输板,在转输板两侧安装侧板,使得可使宠物尿垫自动快速齐整的被输送至运输带上,从而可有效保障其在运输过程中的整齐度,由于转输板通过支撑架所支撑,且支撑架与运输机架相焊接,使得转输板可稳固的安装于运输机架一侧上方,从而有效保障其稳定度。
法律进度
  • 2021-07-27 授权 ...

同类专利

咨询该专利

您还可以
推荐专利
{{ v.name }}
取 消 确 定