• 专利申请
    2020-05-12
  • 公布公告
    2021-03-30
  • 授权日期
    2021-03-30
  • 终止
    2031-03-28
一种补偿载波相位延迟非线性误差的PGC相位解调方法
一种补偿载波相位延迟非线性误差的PGC相位解调方法
* 专利信息仅供参考,不具有法律效力。 有效专利
CN202010396826.X 2020-05-12 G01J9/02 {{ classMap["G01J9/02"] }}
浙江理工大学 查看申请人名下所有专利
浙江省杭州市江干经济开发区2号大街928号
专利分类项目
专利注册信息
初审公告期号 2020-05-12 初审公告日期 2021-03-30
注册公告期号 2021-03-30 注册公告日期 2021-03-30
专用权期限 2021-03-30 - 2031-03-28 专利类型 发明授权
代理组织机构 杭州求是专利事务所有限公司 查看该机构代理的所有专利
专利介绍
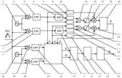
本发明公开了一种补偿载波相位延迟非线性误差的PGC相位解调方法。采用高频正弦和低频正弦扫描复合的调制方法,对采样得到的复合正弦调制数字干涉信号进行一阶、二阶正交下混频,获得两对正交幅值信号,运用一阶正交幅值信号及一阶正交微分信号准确提取出相位延迟并对相位延迟进行补偿,根据相位延迟大小对一阶、二阶正交幅值信号进行优选获得两路不受相位延迟影响的新幅值信号,再通过反正切与相位解包裹运算求得复合相位,最后通过滑动平均计算获得待测相位。本发明解决了PGC相位解调技术中相位延迟难以准确测量及相位延迟引起的非线性误差难以实时补偿的问题,提高了相位测量精度,能广泛应用于正弦相位调制干涉技术领域。
法律进度
  • 2021-03-30 授权 ...

  • 2020-09-22 实质审查的生效 IPC(主分类): G01J 9/02 专利申请号: 202010396826.X 申请日: 2020.05. ...

  • 2020-08-28 公开 ...

同类专利
  • 一种光纤智能迈克尔逊干涉仪装置及其使用方法

  • 双频激光外差干涉相位测量大尺寸光学平面的装置及方法

  • 一种光场多参数动态检测方法及其紧凑型系统

咨询该专利

您还可以
推荐专利
{{ v.name }}
取 消 确 定