• 专利申请
    2019-12-31
  • 公布公告
    2020-10-09
  • 授权日期
    2020-10-09
  • 终止
    2030-10-07
一种连接器SATA22PIN后塞的组装装置
一种连接器SATA22PIN后塞的组装装置
* 专利信息仅供参考,不具有法律效力。 有效专利
CN201922464399.X 2019-12-31 B23P19/027 {{ classMap["B23P19/027"] }}
深圳市协力智能科技有限公司 查看申请人名下所有专利
广东省深圳市宝安区松岗街道潭头社区潭头第二工业城A区29栋201
专利分类项目
专利注册信息
初审公告期号 2019-12-31 初审公告日期 2020-10-09
注册公告期号 2020-10-09 注册公告日期 2020-10-09
专用权期限 2020-10-09 - 2030-10-07 专利类型 实用新型
代理组织机构 深圳市徽正知识产权代理有限公司 查看该机构代理的所有专利
专利介绍
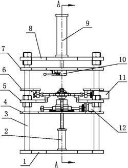
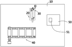
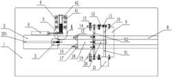
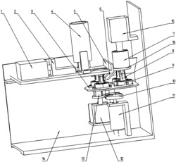
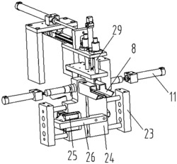
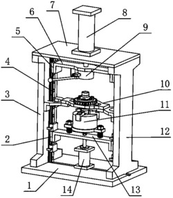
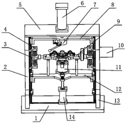
本实用新型公开了一种连接器SATA22PIN后塞的组装装置,包括主体、设置在主体上端外表面靠近一侧位置用于将后塞铆压到后座上的铆压装置、设置在主体靠近铆压装置一侧用于定位针位置的针定位装置、设置在主体远离铆压装置一侧用于推送后塞到待组装位的送后塞装置和将后塞输送到主体上的后塞进料平送装置。本实用新型所述的一种连接器SATA22PIN后塞的组装装置,组装时能够将后座上的针直接定位到90°,降低生产时针折弯90°的难度,而且减少针的检测步骤,减少工序,生产速度快,整个组装过程完全由机器加工,减少操作人内的工作量,而且工艺流程简单化,降低成本,节省空间,提高效率,简单快捷,节约成本,使用效果相对于传统方式更好。
法律进度
  • 2020-10-09 授权 ...

同类专利

咨询该专利

您还可以
推荐专利
{{ v.name }}
取 消 确 定