• 专利申请
    2019-12-11
  • 公布公告
    2021-06-29
  • 授权日期
    2021-06-29
  • 终止
    2031-06-27
一种基于社区型云服务的自动化物品运输系统
一种基于社区型云服务的自动化物品运输系统
* 专利信息仅供参考,不具有法律效力。 有效专利
CN201911263737.1 2019-12-11 B65G47/92 {{ classMap["B65G47/92"] }}
长沙凯泽工程设计有限公司 查看申请人名下所有专利
湖南省长沙市长沙高新开发区尖山路39号长沙中电软件园一期9栋7楼A7137室
专利分类项目
专利注册信息
初审公告期号 2019-12-11 初审公告日期 2021-06-29
注册公告期号 2021-06-29 注册公告日期 2021-06-29
专用权期限 2021-06-29 - 2031-06-27 专利类型 发明授权
代理组织机构 --
专利介绍
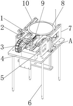
一种基于社区型云服务的自动化物品运输系统,包括社区输送装置、居民楼输送装置、云服务平台以及中央处理单元,所述社区输送装置包括快递投放区、磁吸贴、RFID电子标签、分区输送通道、分区输送机构以及分区推送机构,所述快递投放区包括投放通道、RFID阅读器、电动滑轨、置物平台以及旋转开关门体,所述居民楼输送装置包括上升输送机构、上升通道、电动滑轮组、磁吸盘、用户推送机构、用户通道、用户输送机构以及投放口,所述上升输送机构包括升降轨道、液压壳体以及硅胶抵触板,中央处理单元包括无线模块、数据中转模块以及信息处理模块;用户购买物品收货地址可填写社区地址由自动化物品输送系统运输至用户房屋或居民楼置物仓内。
法律进度
  • 2024-07-09 专利权的转移 登记生效日: 2024.06.21 专利权人由汪玉慧变更为河北雄安鑫箬科技有限公司 国家或地区由中国变更为中国 ...

  • 2022-09-20 专利权的转移 登记生效日: 2022.09.07 专利权人由长沙凯泽工程设计有限公司变更为汪玉慧 地址由410205 湖南省 ...

  • 2021-06-29 授权 ...

  • 2020-04-17 实质审查的生效 IPC(主分类): B65G 47/92 专利申请号: 201911263737.1 申请日: 2019.12 ...

  • 2020-03-24 公开 ...

同类专利

咨询该专利

您还可以
推荐专利
{{ v.name }}
取 消 确 定