• 专利申请
    2019-11-27
  • 公布公告
    2021-10-15
  • 授权日期
    2021-10-15
  • 终止
    2031-10-13
一种用于油菜播种机的传动装置
一种用于油菜播种机的传动装置
* 专利信息仅供参考,不具有法律效力。 有效专利
CN201911182457.8 2019-11-27 A01C7/20 {{ classMap["A01C7/20"] }}
湖南农业大学 查看申请人名下所有专利
湖南省长沙市芙蓉区农大路1号
专利分类项目
专利注册信息
初审公告期号 2019-11-27 初审公告日期 2021-10-15
注册公告期号 2021-10-15 注册公告日期 2021-10-15
专用权期限 2021-10-15 - 2031-10-13 专利类型 发明授权
代理组织机构 长沙朕扬知识产权代理事务所 查看该机构代理的所有专利
专利介绍
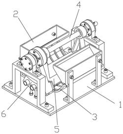
本发明公开了一种用于油菜播种机的传动装置,其中,动力输入轴和离合连接轴枢接在机架上,该动力输入轴与固定套接在离合连接轴的第一离合卡套传动连接,第二离合卡套转动套接在离合连接轴上,离合拨杆在其两端之间与机架枢接,该离合拨杆的一端与拉线连接,另一端与第二离合卡套连接以驱动第一离合卡套和第二离合卡套的卡接和分离,离合连接轴与播种箱轴传动连接。本发明一方面可以在操作播种机的过程中(比如转弯、换垄时)中断播种箱轴的动力输入,进而停止播种动作;同时,另一方面也可以通过换挡调整播种箱轴控制播种速度,进而调整油菜的间距,从而使油菜播种机工作更为灵活。
法律进度
  • 2021-10-15 授权 ...

  • 2020-02-28 实质审查的生效 IPC(主分类): A01C 7/20 专利申请号: 201911182457.8 申请日: 2019.11. ...

  • 2020-02-04 公开 ...

同类专利

咨询该专利

您还可以
推荐专利
{{ v.name }}
取 消 确 定