• 专利申请
    2019-11-26
  • 公布公告
    2021-04-16
  • 授权日期
    2021-04-16
  • 终止
    2031-04-14
一种仿巨蜥牙齿的夹持装置
一种仿巨蜥牙齿的夹持装置
* 专利信息仅供参考,不具有法律效力。 有效专利
CN201911175056.X 2019-11-26 A61B90/14 {{ classMap["A61B90/14"] }}
桂林电子科技大学 查看申请人名下所有专利
广西壮族自治区桂林市七星区金鸡路1号
专利分类项目
专利注册信息
初审公告期号 2019-11-26 初审公告日期 2021-04-16
注册公告期号 2021-04-16 注册公告日期 2021-04-16
专用权期限 2021-04-16 - 2031-04-14 专利类型 发明授权
代理组织机构 --
专利介绍
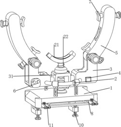
本发明属于仿生装置技术领域,具体为一种仿巨蜥牙齿的夹持装置,包括固定板,所述固定板的一侧对称固定有两个固定杆,所述固定板内设有中空腔,所述中空腔的内固定连接有蓄电池与控制器,所述固定板的外侧固定连接有第一开关与第二开关,两个所述固定杆相对的一侧均设有置物槽,两个所述置物槽内均设有螺杆,所述螺杆上螺纹连接有滑块。本发明结构合理且新颖,通过模拟仿生巨蜥的牙齿的咬合,整个操作的过程与机械式手术钳相比,减少了医务人员的使用时的握持力度,同时加持力度可以调节,装置的长度也能够控制,具有很好的使用效果。
法律进度
  • 2024-07-16 专利权的转移 登记生效日: 2024.07.01 专利权人由桂林电子科技大学变更为合肥智慧龙机械设计有限公司 国家或地区由中 ...

  • 2021-04-16 授权 ...

  • 2020-03-17 实质审查的生效 IPC(主分类): A61B 90/14 专利申请号: 201911175056.X 申请日: 2019.11 ...

  • 2020-02-21 公开 ...

同类专利

咨询该专利

您还可以
推荐专利
{{ v.name }}
取 消 确 定