• 专利申请
    2019-08-07
  • 公布公告
    2024-06-25
  • 授权日期
    2024-06-25
  • 终止
    2034-06-23
一种转轴长度检测筛选与压平去毛刺自动化一体机
一种转轴长度检测筛选与压平去毛刺自动化一体机
* 专利信息仅供参考,不具有法律效力。 有效专利
CN201910725760.1 2019-08-07 B21C51/00 {{ classMap["B21C51/00"] }}
电子科技大学中山学院 查看申请人名下所有专利
广东省中山市石岐区学院路1号
专利分类项目
专利注册信息
初审公告期号 2019-08-07 初审公告日期 2024-06-25
注册公告期号 2024-06-25 注册公告日期 2024-06-25
专用权期限 2024-06-25 - 2034-06-23 专利类型 发明授权
代理组织机构 中山市科创专利代理有限公司 查看该机构代理的所有专利
专利介绍
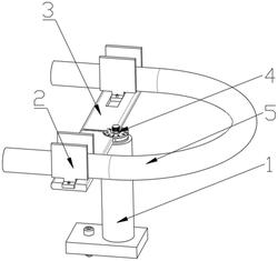
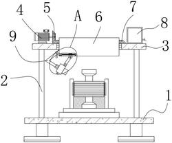
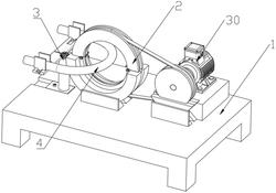
本发明公开了一种转轴长度检测筛选与压平去毛刺自动化一体机,包括工作台,工作台上设有供转轴挂在其上滑动的T型滑道,工作台上沿滑道从前往后依次设有能往滑道中供料的自动供料装置、用于检测滑道中的转轴长度的长度检测装置、用于将长度检测装置检测出来的不符合规格的转轴从滑道中排出的排料装置和用于对转轴的挂耳整平和去毛刺的整平装置,滑道上设有用于将自动供料装置送入的转轴依次推到长度检测装置、排料装置和整平装置对应的位置处并将整平装置整平去毛刺后的转轴推出整平装置的送料装置,通过控制系统控制自动供料装置、长度检测装置、排料装置、整平装置和送料装置工作实现转轴的自动长度检测筛选和压平去毛刺。
法律进度
  • 2024-09-24 专利权的转移 登记生效日: 2024.09.06 专利权人由电子科技大学中山学院变更为合肥智慧龙机械设计有限公司 国家或地区 ...

  • 2024-06-25 授权 ...

  • 2019-11-12 实质审查的生效 IPC(主分类): B21C 51/00 专利申请号: 201910725760.1 申请日: 2019.08 ...

  • 2019-10-18 公开 ...

同类专利

咨询该专利

您还可以
推荐专利
{{ v.name }}
取 消 确 定