• 专利申请
    2019-08-04
  • 公布公告
    2020-09-01
  • 授权日期
    2020-09-01
  • 终止
    2030-08-30
一种输电线路单相断线接地故障风险评估实验平台及方法
一种输电线路单相断线接地故障风险评估实验平台及方法
* 专利信息仅供参考,不具有法律效力。 有效专利
CN201910714454.8 2019-08-04 G01R19/00 {{ classMap["G01R19/00"] }}
西南交通大学 查看申请人名下所有专利
四川省成都市高新区西部园区西南交通大学科学技术发展研究院
专利分类项目
专利注册信息
初审公告期号 2019-08-04 初审公告日期 2020-09-01
注册公告期号 2020-09-01 注册公告日期 2020-09-01
专用权期限 2020-09-01 - 2030-08-30 专利类型 发明授权
代理组织机构 成都盈信专利代理事务所 查看该机构代理的所有专利
专利介绍
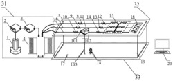
本发明公开了一种输电线路单相断线接地故障风险评估实验平台及方法,实验平台包括电源模块、线路模块、跨步电压测试模块、实验箱和数据分析模块。电源模块包括工频电源、整流器、逆变器和变压器;实验箱的上端搭载线路模块,下端搭载跨步电压测试模块;跨步电压测试模块包括模拟地面和电压测量机器人,模拟地面与断线模拟器的接地导线相连紧密接触。本发明可针对输电线路单相断线接地故障进行有效模拟和相关的故障反演,并能测评故障点周围区域跨步电压危险等级,有利于输电线路相关安全警示和绝缘防护措施意见的制定与优化。
法律进度
  • 2024-08-27 专利权的转移 登记生效日: 2024.08.12 专利权人由西南交通大学变更为龙图腾网科技(合肥)股份有限公司 国家或地区由 ...

  • 2020-09-01 授权 ...

  • 2019-11-15 实质审查的生效 IPC(主分类): G01R 19/00 专利申请号: 201910714454.8 申请日: 2019.08 ...

  • 2019-10-22 公开 ...

同类专利
  • 电流模式DC/DC转换器用低功耗电流检测电路

  • 一种圆纬机电磁选针器选针刀头摆动到位时间的测量系统

  • 一种电极电流测量方法及系统

  • 基于分段差分波形有效值的电压暂态扰动检测方法

  • 一种电力系统高压采样电路

  • 一种船舶线路检测用电流检测设备的支撑防护装置

  • 一种电压实时监测装置

咨询该专利

您还可以
推荐专利
{{ v.name }}
取 消 确 定