• 专利申请
    2018-09-27
  • 公布公告
    2023-08-15
  • 授权日期
    2023-08-15
  • 终止
    2033-08-12
太阳能季节性相变蓄能室温自动调控系统
太阳能季节性相变蓄能室温自动调控系统
* 专利信息仅供参考,不具有法律效力。 有效专利
CN201811133992.X 2018-09-27 F24F5/00 {{ classMap["F24F5/00"] }}
长春工程学院 查看申请人名下所有专利
吉林省长春市朝阳区宽平大路395号
专利分类项目
专利注册信息
初审公告期号 2018-09-27 初审公告日期 2023-08-15
注册公告期号 2023-08-15 注册公告日期 2023-08-15
专用权期限 2023-08-15 - 2033-08-12 专利类型 发明授权
代理组织机构 长春市恒誉专利代理事务所 查看该机构代理的所有专利
专利介绍
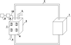
本发明公开了一种太阳能季节性相变蓄能室温自动调控系统,包括有相变材料、太阳能集热器、风道、水管和控制器,其中相变材料均布在建筑物围护结构对应建筑物的室内一侧的容器内,风道和水管交替设置在相变材料内,风道的出风口设在建筑物的室内,太阳能集热器设在建筑物的室外,相变材料内所布设水管的一端与太阳能集热器相连通,太阳能集热器还连接有蓄热水箱,相变材料内所布设水管的另一端与蓄热水箱相连通,蓄热水箱的内腔与建筑物的室内之间设有换热装置用于热量的传递,换热装置与控制器连接并由控制器控制工作。有益效果:太阳能及房间夏季余热均通过本系统存储在相变材料当中,实现了室温调控的零碳排放或近零碳排放。
法律进度
  • 2023-08-15 授权 ...

  • 2019-02-01 实质审查的生效 IPC(主分类): F24F 5/00 专利申请号: 201811133992.X 申请日: 2018.0 ...

  • 2019-01-08 公开 ...

同类专利

咨询该专利

您还可以
推荐专利
{{ v.name }}
取 消 确 定