• 专利申请
    2018-01-16
  • 公布公告
    2018-08-03
  • 授权日期
    2020-04-03
  • 终止
    2028-07-31
重力场膜式热功转换装置及方法
重力场膜式热功转换装置及方法
* 专利信息仅供参考,不具有法律效力。 有效专利
CN201810037927.0 2018-01-16 F25B30/06 {{ classMap["F25B30/06"] }}
浙江理工大学 查看申请人名下所有专利
浙江省杭州市下沙高教园区2号大街5号
专利分类项目
专利注册信息
初审公告期号 2018-01-16 初审公告日期 2018-08-03
注册公告期号 2020-04-03 注册公告日期 2020-04-03
专用权期限 2018-08-03 - 2028-07-31 专利类型 发明公开
代理组织机构 杭州中成专利事务所有限公司 查看该机构代理的所有专利
专利介绍
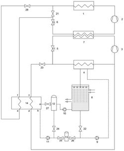
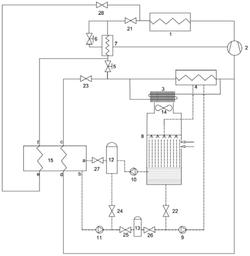
本发明提供一种重力场膜式热功转换装置,包括再生器、冷凝器、浓溶液冷却器、浓溶液循环泵、回热器、低位液体涡轮和低位渗透器,再生器浓溶液与回热器放热通道连接,回热器与浓溶液冷却器连接;浓溶液冷却器与浓溶液循环泵连接,浓溶液循环泵与低位渗透器浓溶液连接,低位渗透器与回热器吸热通道连接,回热器与再生器连接,蒸汽管与冷凝器连接,冷凝器与低位液体涡轮连接;低位液体涡轮与低位渗透器连接;本发明还提供一种重力场膜式热功转换方法,工质在再生器、冷凝器、浓溶液冷却器、浓溶液循环泵、回热器、低位液体涡轮和低位渗透器之间流动,吸收低品位热源流体的热量后做功。
法律进度
  • 2023-03-10 专利权的转移 登记生效日: 2023.02.24 专利权人由浙江理工大学变更为合肥龙智机电科技有限公司 地址由310018 ...

  • 2020-04-03 授权 ...

  • 2018-08-28 实质审查的生效 IPC(主分类): F25B 30/06 专利申请号: 201810037927.0 申请日: 2018. ...

  • 2018-08-03 公开 ...

同类专利
  • 一种塑料套管能源桩结构及施工方法

  • 能量梯级利用的直热式高效空气源热泵系统

  • 溶液结冰的无霜空气源复叠式热泵

  • 溶液除水的无霜空气源补气增焓热泵

  • 吸碳型空气源热泵复合系统

  • 一种太阳能全反射聚光吸收式土壤源热泵性能增强装置

咨询该专利

您还可以
推荐专利
{{ v.name }}
取 消 确 定