• 专利申请
    2017-10-24
  • 公布公告
    2018-05-22
  • 授权日期
    2018-05-22
  • 终止
    2028-05-19
一种有机膦酸类阻垢剂耐高温性能测定装置
一种有机膦酸类阻垢剂耐高温性能测定装置
* 专利信息仅供参考,不具有法律效力。 有效专利
CN201721380430.6 2017-10-24 G01N31/16 {{ classMap["G01N31/16"] }}
南京科技职业学院 查看申请人名下所有专利
江苏省南京市江北新区欣乐路188号
专利分类项目
专利注册信息
初审公告期号 2017-10-24 初审公告日期 2018-05-22
注册公告期号 2018-05-22 注册公告日期 2018-05-22
专用权期限 2018-05-22 - 2028-05-19 专利类型 实用新型
代理组织机构 南京瑞弘专利商标事务所 查看该机构代理的所有专利
专利介绍
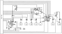
本实用新型公开了一种有机膦酸类阻垢剂耐高温性能测定装置。包括高温反应器、中间罐、工业循环水储罐、流量控制器、滴定分析仪和数据处理器。该装置可以在线测试阻垢剂的阻垢性能,连续得到阻垢剂的耐高温温度,并直观得到阻垢剂的极限耐高温点。
法律进度
  • 2018-05-22 授权 ...

同类专利
  • 一种基于蒸馏-滴定法的氨氮在线监测仪

  • 一种BOD5测定自动加药装置

  • 一种基于对称光纤锥生物传感的铀酰离子滴定检测方法及装置

咨询该专利

您还可以
推荐专利
{{ v.name }}
取 消 确 定