• 专利申请
    2017-10-10
  • 公布公告
    2024-03-29
  • 授权日期
    2024-03-29
  • 终止
    2034-03-27
一种泵体端面密封槽的修整设备
一种泵体端面密封槽的修整设备
* 专利信息仅供参考,不具有法律效力。 有效专利
CN201710936352.1 2017-10-10 B24B19/00 {{ classMap["B24B19/00"] }}
瞿珠薇 查看申请人名下所有专利
浙江省温州市鹿城区七都镇吟州前村27-3号
专利分类项目
专利注册信息
初审公告期号 2017-10-10 初审公告日期 2024-03-29
注册公告期号 2024-03-29 注册公告日期 2024-03-29
专用权期限 2024-03-29 - 2034-03-27 专利类型 发明授权
代理组织机构 --
专利介绍
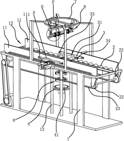
本发明提供了一种泵体端面密封槽的修整设备,属于机械设备技术领域。它解决了现有泵体密封槽打磨效率较低,且打磨质量较差的问题。本泵体端面密封槽的修整设备,包括机架,机架上转动连接有两排送料滚轴,机架上还转动连接有两限位座,两限位座具有限位缺口,机架滑动连接有升降台,升降台上还转动连接有转轴,转轴上设有定位结构,机架固连有连接架,连接架上转动连接有磨削轮,连接架上还设有能够带动若干磨削轮同步转动的驱动电机,在机架上设有能够带动转轴转动的动力电机。本泵体端面密封槽的修整设备能够自动对泵体端面的密封槽进行打磨修整,效率较高。
法律进度
  • 2024-03-29 授权 ...

  • 2018-02-13 实质审查的生效 IPC(主分类): B24B 19/00 专利申请号: 201710936352.1 申请日: 2017. ...

  • 2018-01-19 公开 ...

同类专利

咨询该专利

您还可以
推荐专利
{{ v.name }}
取 消 确 定