• 专利申请
    2017-04-18
  • 公布公告
    2017-09-01
  • 授权日期
    2018-04-10
  • 终止
    2027-08-30
一种具有自平衡能力、宽占空比控制交错高增益DC/DC变换器
一种具有自平衡能力、宽占空比控制交错高增益DC/DC变换器
* 专利信息仅供参考,不具有法律效力。 有效专利
CN201710253583.2 2017-04-18 H02M3/156 {{ classMap["H02M3/156"] }}
安徽工业大学 查看申请人名下所有专利
安徽省马鞍山市花山区湖东路59号
专利分类项目
专利注册信息
初审公告期号 2017-04-18 初审公告日期 2017-09-01
注册公告期号 2018-04-10 注册公告日期 2018-04-10
专用权期限 2017-09-01 - 2027-08-30 专利类型 发明公开
代理组织机构 南京知识律师事务所 查看该机构代理的所有专利
专利介绍
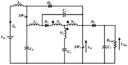
本发明公开了一种具有自平衡能力、宽占空比控制交错高增益DC/DC变换器,属于电力电子变换器技术领域。其中,电源Uin的正极与耦合电感T1的原边绕组电感L1a同名端和耦合电感T2的原边绕组电感L2a同名端连接,Uin的负极接地,其中,耦合电感T1的原边绕组电感L1a的非同名端与电容C1的一端、开关管S1漏极和二极管D1的阳极连接,开关管S1源极接地,二极管D1的阴极与电容C2的一端、耦合电感T1的副边绕组电感L1c的同名端连接,针对现有技术的直流变换器调节增益时存在占空比可控范围小的问题,它可以在较宽占空比范围内对增益进行调节,且具备自平衡能力。
法律进度
  • 2024-01-12 专利权的转移 登记生效日: 2023.12.26 专利权人由安徽工业大学变更为龙图腾网科技(合肥)股份有限公司 地址由243 ...

  • 2018-04-10 授权 ...

  • 2017-09-29 实质审查的生效 IPC(主分类): H02M 3/156 专利申请号: 201710253583.2 申请日: 2017. ...

  • 2017-09-01 公开 ...

同类专利
  • 具有右半平面零点的开关变换器的控制方法

  • 升压型DC-DC变换器

  • 输入输出电流均连续的降压型DC-DC变换器

  • 一种高增益电压型准Y源直流-直流变换器

  • 含电阻的电容串并联切换工作模式的降压型DC-DC变换器

  • 一种低电压应力升压变换器和扩展低电压应力升压变换器

  • 一种基于有源网络的高增益直流变换器拓扑结构

  • 一种高功率可调式开关稳压电源

咨询该专利

您还可以
推荐专利
{{ v.name }}
取 消 确 定