• 专利申请
    2016-04-29
  • 公布公告
    2018-05-01
  • 授权日期
    2018-05-01
  • 终止
    2028-04-28
一种可变结构的高低频混合输出并联三维运动台
一种可变结构的高低频混合输出并联三维运动台
* 专利信息仅供参考,不具有法律效力。 有效专利
CN201610288275.9 2016-04-29 G01M7/06 {{ classMap["G01M7/06"] }}
燕山大学 查看申请人名下所有专利
河北省秦皇岛市海港区河北大街西段438号
专利分类项目
专利注册信息
初审公告期号 2016-04-29 初审公告日期 2018-05-01
注册公告期号 2018-05-01 注册公告日期 2018-05-01
专用权期限 2018-05-01 - 2028-04-28 专利类型 发明授权
代理组织机构 秦皇岛一诚知识产权事务所 查看该机构代理的所有专利
专利介绍
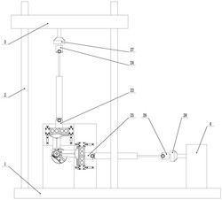
一种可变结构的高低频混合输出并联三维运动台,其主要包括运动输出平台、基础框架以及三条构造形式相同的双输入混联运动链,运动输出平台通过三条双输入混联运动链与基础框架相连,所述双输入混联运动链由双输入闭环单元和传动闭环单元串联组成,双输入闭环单元一端与基础框架连接,构成包含三个转动副和两个移动副的下闭环平面五杆机构,传动闭环单元底部通过传动杆连接板与双输入闭环单元的驱动输出杆固连,第一传动杆和第二传动杆的两端分别通过球副与传动杆连接板和运动输出平台连接。本发明能够实现多自由度、多频率混合形式的运动输出,可用于车辆、船舶和飞行器等复杂的混合动力学环境模拟。
法律进度
  • 2018-05-01 授权 ...

  • 2016-08-03 实质审查的生效 IPC(主分类): G01M 7/06 专利申请号: 201610288275.9 申请日: 2016.0 ...

  • 2016-07-06 公开 ...

同类专利

咨询该专利

您还可以
推荐专利
{{ v.name }}
取 消 确 定